to proces, który wymaga dokładności i znajomości schematów instalacji. Aby zapewnić prawidłowe działanie systemu, konieczne jest przestrzeganie kilku kluczowych kroków, takich jak poprawne adresowanie unifonu oraz podłączenie odpowiednich żył do zacisków. Niezastosowanie się do tych zasad może prowadzić do błędów, które uniemożliwią prawidłowe funkcjonowanie domofonu.
W tym artykule przedstawimy szczegółowy przewodnik, który pomoże Ci bezbłędnie podłączyć domofon ACO. Znajdziesz tu nie tylko instrukcje krok po kroku, ale także cenne wskazówki dotyczące rozwiązywania problemów, które mogą wystąpić podczas instalacji.
Kluczowe wnioski:
- Podłączenie domofonu ACO wymaga przestrzegania schematu instalacji oraz poprawnego adresowania unifonu.
- Unifony INS-UP720B współpracują z systemami cyfrowymi ACO, takimi jak CDNP 6, CDNP 7, CDNP 8, Familio P i Inspiro.
- Ważne jest, aby przed instalacją upewnić się, że zasilanie jest odłączone dla bezpieczeństwa.
- Sprawdzanie ciągłości przewodów oraz pomiary napięcia są kluczowe dla zapewnienia prawidłowego działania systemu.
- Typowe błędy, takie jak niepoprawne podłączenie żył, mogą prowadzić do zablokowania systemu i wyświetlenia komunikatu błędu "Zwar.L".
Jak przygotować się do podłączenia domofonu ACO dla sukcesu
Podłączenie domofonu ACO to proces, który wymaga staranności i odpowiedniego przygotowania. Kluczowe jest zrozumienie wymagań oraz zebranie wszystkich niezbędnych narzędzi przed przystąpieniem do instalacji. Bez odpowiedniego przygotowania, nawet najprostsze zadania mogą stać się problematyczne, a błędy mogą prowadzić do nieprawidłowego działania systemu.
Właściwe przygotowanie obejmuje nie tylko zebranie narzędzi, ale również zapoznanie się z instrukcjami oraz schematami instalacji. Zrozumienie, jak działa system, pozwoli uniknąć wielu typowych błędów, które mogą się pojawić w trakcie podłączania. W kolejnych częściach artykułu omówimy szczegółowe kroki instalacji, ale teraz skupmy się na tym, co jest potrzebne, aby rozpocząć.
Wybór odpowiednich narzędzi i materiałów do instalacji
Aby skutecznie podłączyć domofon ACO, potrzebujesz odpowiednich narzędzi oraz materiałów. Właściwy zestaw narzędzi może znacznie ułatwić instalację i pomóc w uniknięciu problemów. Oto kilka podstawowych narzędzi, które będą niezbędne do wykonania tego zadania:| Narzędzie | Opis i zastosowanie |
|---|---|
| Wkrętarka | Używana do mocowania elementów domofonu oraz panelu zewnętrznego. |
| Śrubokręt | Potrzebny do dokręcania śrub w różnych częściach instalacji. |
| Miernik napięcia | Umożliwia sprawdzenie napięcia w instalacji, co jest kluczowe dla bezpieczeństwa. |
| Obcinacz do przewodów | Przydatny do przycinania przewodów do odpowiedniej długości. |
| Multimetr | Umożliwia pomiar ciągłości przewodów oraz napięcia. |
Krok po kroku: jak podłączyć domofon ACO bez błędów
Aby podłączyć domofon ACO bez błędów, należy dokładnie przestrzegać kilku kluczowych kroków. Zanim rozpoczniesz instalację, upewnij się, że masz wszystkie niezbędne narzędzia oraz materiały. Ważne jest również, aby przed przystąpieniem do pracy odłączyć zasilanie, co zapewni bezpieczeństwo podczas instalacji. Po przygotowaniu, można przystąpić do podłączenia unifonu, pamiętając o schemacie instalacji.
Podczas podłączania unifonu, należy zwrócić szczególną uwagę na odpowiednie zaciski. W przypadku domofonów ACO, unifon podłącza się do zacisków LINE+ i LINE-. Każdy przewód powinien być dokładnie sprawdzony, aby uniknąć zwarć i błędów. Po podłączeniu, ważne jest, aby zaadresować unifon, co polega na ustawieniu zworki na odpowiednich pinach, aby przypisać mu unikalny numer. Na przykład, aby ustawić numer 5, należy założyć zworki na piny 1 i 4.
Na koniec, po zakończeniu podłączania, warto przetestować system. Włącz zasilanie i sprawdź, czy domofon działa poprawnie. Upewnij się, że dźwięk jest wyraźny, a przycisk otwierania drzwi działa jak należy. W przypadku jakichkolwiek problemów, warto wrócić do wcześniejszych kroków i upewnić się, że wszystko zostało podłączone zgodnie z instrukcją. Pamiętaj, że dokładność na każdym etapie instalacji jest kluczowa dla sukcesu.Schemat instalacji domofonu ACO - kluczowe elementy i połączenia
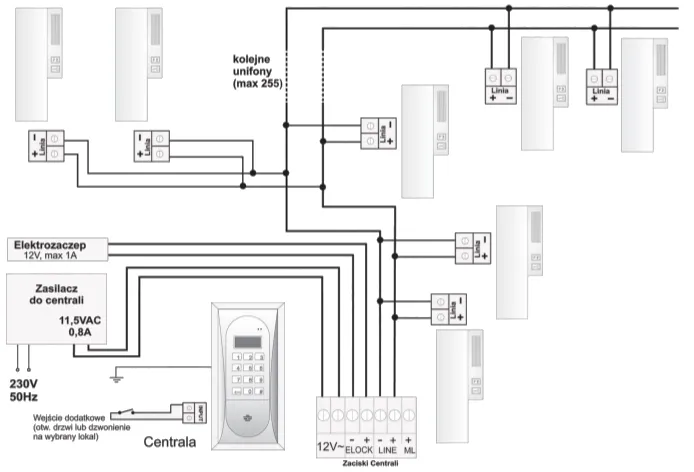
Właściwy schemat instalacji domofonu ACO jest niezbędny do prawidłowego podłączenia systemu. Zrozumienie kluczowych elementów oraz ich połączeń pozwala uniknąć wielu problemów, które mogą wystąpić podczas instalacji. Schemat powinien zawierać wszystkie istotne informacje dotyczące podłączenia unifonów, zasilania oraz magistrali. Warto także zwrócić uwagę na oznaczenia, które wskazują, które przewody należy podłączyć do konkretnych zacisków.
Dokładne zapoznanie się z diagramem instalacji pomoże w zrozumieniu, jak różne elementy systemu współpracują ze sobą. W przypadku systemów cyfrowych ACO, jak CDNP 6 czy CDNP 7, schematy te są kluczowe dla zapewnienia prawidłowego funkcjonowania. Poniżej znajduje się wizualizacja podłączenia, która ilustruje wszystkie niezbędne połączenia.
Jak poprawnie adresować unifon ACO dla właściwego działania
Aby unifon ACO działał poprawnie w systemie, kluczowe jest jego adresowanie. Proces ten polega na ustawieniu odpowiednich zworków na płytce unifonu, co pozwala przypisać mu unikalny numer w systemie. Na przykład, aby ustawić unifon na numer 5, należy założyć zworki na piny 1 i 4. W przypadku numeru 25, zworki muszą być ustawione na piny 16, 8 i 1. Adresowanie jest istotne, ponieważ umożliwia poprawną komunikację między unifonem a centralą domofonową.
Niepoprawne adresowanie może prowadzić do problemów z funkcjonowaniem systemu, takich jak brak sygnału lub błędy w połączeniach. Dlatego ważne jest, aby przed przystąpieniem do instalacji upewnić się, że zworki są prawidłowo ustawione. Pamiętaj, że adres unifonu zazwyczaj odpowiada numerowi mieszkania, co ułatwia identyfikację i zarządzanie systemem domofonowym.
Typowe błędy przy podłączaniu domofonu ACO i jak ich unikać
Podczas instalacji domofonu ACO można popełnić szereg typowych błędów, które mogą prowadzić do problemów z działaniem systemu. Jednym z najczęstszych błędów jest niepoprawne podłączenie przewodów do zacisków. Należy zawsze upewnić się, że przewody są podłączone zgodnie z instrukcją, aby uniknąć zwarć. Innym powszechnym błędem jest zła konfiguracja adresowania unifonu, co może skutkować brakiem komunikacji w systemie.
Aby uniknąć tych problemów, warto przed rozpoczęciem instalacji dokładnie przeczytać instrukcję oraz schematy instalacji. Upewnij się, że masz wszystkie niezbędne narzędzia i materiały, a także, że zasilanie jest wyłączone przed podłączeniem. Regularne sprawdzanie połączeń i testowanie systemu po zakończeniu instalacji również pomoże w wczesnym wykryciu potencjalnych błędów.
- Niepoprawne podłączenie przewodów - upewnij się, że przewody są zgodne z instrukcją.
- Złe adresowanie unifonu - zawsze sprawdzaj, czy zworki są ustawione prawidłowo.
- Brak testów po instalacji - pamiętaj o sprawdzeniu działania systemu po zakończeniu pracy.
Jak rozwiązywać problemy z zasilaniem i połączeniami
Problemy z zasilaniem i połączeniami w systemie domofonowym ACO mogą występować z różnych powodów. Pierwszym krokiem w rozwiązaniu tych problemów jest sprawdzenie zasilania. Upewnij się, że zasilanie jest włączone i że nie wystąpiły przerwy w dostawie energii. Jeśli domofon nie reaguje, sprawdź, czy przewody zasilające są prawidłowo podłączone do zacisków. Często zdarza się, że luźne połączenia mogą prowadzić do braku zasilania unifonu.
Kolejnym krokiem jest sprawdzenie połączeń między unifonem a centralą. Upewnij się, że wszystkie przewody są podłączone zgodnie ze schematem instalacji. W przypadku domofonów 4-żyłowych, trzy przewody są wspólne dla wszystkich unifonów, a jeden przewód jest dedykowany dla każdego unifonu. Należy upewnić się, że przewody nie są uszkodzone ani przetarte, co może prowadzić do problemów z komunikacją. Jeśli po tych krokach problem nadal występuje, warto skorzystać z miernika napięcia, aby sprawdzić, czy na linii występuje odpowiednie napięcie.

Sprawdzanie ciągłości przewodów - co trzeba wiedzieć dla sukcesu
Sprawdzanie ciągłości przewodów jest kluczowym krokiem, który zapewnia prawidłowe działanie systemu domofonowego ACO. Kontrola ciągłości pozwala wykryć ewentualne przerwy w obwodzie, które mogą prowadzić do problemów z funkcjonowaniem unifonu. Aby przeprowadzić tę kontrolę, najlepiej użyć multimetru, który umożliwia pomiar ciągłości przewodów. Upewnij się, że przed rozpoczęciem pomiarów zasilanie jest wyłączone, aby uniknąć ryzyka porażenia elektrycznego.
Jak wykonać pomiary napięcia w instalacji domofonu ACO
Wykonywanie pomiarów napięcia w instalacji domofonu ACO jest kluczowe dla zapewnienia, że system działa prawidłowo. Aby przeprowadzić pomiar, należy użyć miernika napięcia, który pozwoli na sprawdzenie, czy na linii zasilającej występuje odpowiednie napięcie. Przed rozpoczęciem pomiarów upewnij się, że zasilanie jest włączone, a następnie podłącz miernik do odpowiednich zacisków. W przypadku domofonów, napięcie powinno wynosić zazwyczaj 12V lub 24V, w zależności od modelu.
Ważne jest, aby dokładnie monitorować wyniki pomiarów, ponieważ nieprawidłowe wartości napięcia mogą wskazywać na problemy z instalacją, takie jak uszkodzone przewody lub niewłaściwe połączenia. Jeśli napięcie jest zbyt niskie lub zbyt wysokie, może to prowadzić do awarii systemu. Regularne pomiary napięcia pomagają wczesnym wykrywać potencjalne problemy i zapewniają długotrwałe, bezproblemowe działanie domofonu ACO.
Jak wykorzystać nowoczesne technologie w instalacji domofonu ACO
W dzisiejszych czasach, nowoczesne technologie mogą znacznie poprawić funkcjonalność i bezpieczeństwo systemów domofonowych ACO. Warto rozważyć integrację domofonu z systemami smart home, co pozwala na zdalne zarządzanie i monitorowanie. Dzięki aplikacjom mobilnym można zdalnie otwierać drzwi, odbierać połączenia oraz kontrolować dostęp do budynku, co zwiększa komfort i bezpieczeństwo użytkowników.
Dodatkowo, systemy wideo mogą być zintegrowane z domofonami, co umożliwia wizualne potwierdzenie tożsamości osoby dzwoniącej. Wykorzystanie kamer HD oraz technologii rozpoznawania twarzy może zminimalizować ryzyko nieautoryzowanego dostępu. Warto również zainwestować w systemy alarmowe, które mogą współpracować z domofonem, zapewniając dodatkową warstwę ochrony. Takie innowacje nie tylko zwiększają bezpieczeństwo, ale także podnoszą wartość nieruchomości, czyniąc ją bardziej atrakcyjną dla potencjalnych nabywców.
