Podłączenie bufora do instalacji centralnego ogrzewania (CO) jest kluczowym krokiem, który wpływa na efektywność całego systemu grzewczego. Wybór odpowiedniego schematu podłączenia, takiego jak podłączenie równoległe, szeregowe czy kaskadowe, zależy od specyfiki budynku oraz źródła ciepła. Każda z tych metod ma swoje zalety i wady, a ich prawidłowe zastosowanie może znacznie poprawić komfort cieplny w pomieszczeniach.
W artykule omówimy najważniejsze aspekty związane z podłączeniem bufora, w tym typowe błędy, które warto unikać. Właściwe rozmieszczenie przyłączy, dobór odpowiednich odbiorników oraz izolacja przewodów to kluczowe elementy, które mają wpływ na wydajność systemu. Dzięki tej wiedzy, każdy użytkownik będzie mógł z powodzeniem zainstalować bufor i cieszyć się jego zaletami.
Kluczowe wnioski:
- Właściwy wybór schematu podłączenia bufora jest kluczowy dla efektywności systemu CO.
- Podłączenie równoległe pozwala na jednoczesne korzystanie z ciepła z bufora i źródła ciepła.
- Podłączenie szeregowe zapewnia stabilne warunki pracy pompy ciepła, co wydłuża jej żywotność.
- Odpowiednie rozmieszczenie przyłączy w buforze wspomaga naturalny przepływ ciepła.
- Izolacja przewodów oraz dobór odbiorników wymagających niższej temperatury zasilania zwiększają efektywność systemu.
Jak prawidłowo podłączyć bufor do CO, aby uniknąć błędów
Podłączenie bufora do instalacji centralnego ogrzewania (CO) jest kluczowym elementem, który wpływa na efektywność działania całego systemu grzewczego. Właściwe połączenie bufora zapewnia nie tylko optymalne wykorzystanie energii, ale także komfort cieplny w pomieszczeniach. Niezależnie od wybranego schematu, istotne jest, aby każdy krok instalacji był wykonany z największą starannością, aby uniknąć typowych błędów.
Generalnie, przed przystąpieniem do podłączenia bufora, warto zapoznać się z podstawowymi zasadami, które pomogą w prawidłowej instalacji. Kluczowe jest, aby sprawdzić kompatybilność bufora z istniejącym systemem grzewczym oraz dobrać odpowiednie przyłącza. Warto również pamiętać o odpowiedniej izolacji przewodów, co znacząco wpłynie na efektywność całego systemu. Unikanie powszechnych pułapek, takich jak niewłaściwe umiejscowienie przyłączy czy niewłaściwy dobór materiałów, jest niezbędne dla osiągnięcia zadowalających wyników.
Wybór odpowiedniego schematu podłączenia bufora do centralnego ogrzewania
Wybór schematu podłączenia bufora jest kluczowy dla wydajności systemu CO. Istnieją trzy główne metody: podłączenie równoległe, szeregowe i kaskadowe. Każda z tych metod ma swoje unikalne cechy, które mogą wpływać na efektywność całego systemu. Właściwy wybór zależy od specyfiki budynku oraz źródła ciepła.
Podłączenie równoległe pozwala na jednoczesne korzystanie z ciepła zarówno z bufora, jak i bezpośrednio z źródła ciepła, co jest korzystne w przypadku nagłych wzrostów zapotrzebowania. Z kolei podłączenie szeregowe umożliwia magazynowanie ciepła w buforze przed jego przekazaniem do instalacji, co zapewnia stabilniejsze warunki pracy. Metoda kaskadowa z kolei jest idealna dla systemów z wieloma źródłami ciepła, umożliwiając elastyczne zarządzanie ciepłem.
| Typ podłączenia | Zalety | Wady |
| Równoległe | Możliwość jednoczesnego korzystania z ciepła | Wymaga dużego zbiornika buforowego |
| Szeregowe | Stabilne warunki pracy pompy ciepła | Może prowadzić do opóźnienia w dostawie ciepła |
| Kaskadowe | Elastyczne zarządzanie ciepłem | Wymaga skomplikowanej instalacji |
Jakie są różnice między podłączeniem równoległym, szeregowym i kaskadowym?
Podłączenie równoległe to jedna z najczęściej stosowanych metod w instalacjach centralnego ogrzewania. W tym schemacie bufor oraz źródło ciepła, takie jak pompa ciepła, są podłączone równolegle do instalacji grzewczej. Taka konfiguracja pozwala na jednoczesne korzystanie z ciepła zarówno z bufora, jak i bezpośrednio z źródła. Jest to szczególnie korzystne w sytuacjach, gdy występują nagłe wzrosty zapotrzebowania na ciepło. Należy jednak pamiętać, że wymaga to dużego zbiornika buforowego, aby zapewnić odpowiednią pojemność cieplną.
Podłączenie szeregowe działa na innej zasadzie. W tym przypadku ciepło z pompy ciepła najpierw trafia do bufora, gdzie jest magazynowane, a następnie przekazywane do instalacji grzewczej. Taki schemat zapewnia bardziej stabilne warunki pracy pompy ciepła, co ogranicza częste włączanie i wyłączanie urządzenia. Dzięki temu można zwiększyć jego żywotność oraz zredukować zużycie energii. Warto jednak zauważyć, że w przypadku tego typu podłączenia czasami może wystąpić opóźnienie w dostawie ciepła do odbiorników.
Metoda kaskadowa jest idealnym rozwiązaniem dla instalacji z wieloma źródłami ciepła. W tym przypadku bufor jest podłączony w sposób umożliwiający elastyczne zarządzanie ciepłem. Dzięki temu można dostosować system do zmieniających się warunków, takich jak różne zapotrzebowanie na ciepło w różnych częściach budynku. W przypadku instalacji z zastosowaniem kolektorów słonecznych czy grzałek elektrycznych, schemat kaskadowy pozwala na optymalne wykorzystanie wszystkich dostępnych źródeł ciepła, co przekłada się na zwiększoną efektywność całego systemu.
Kluczowe błędy podczas podłączania bufora do CO i jak ich unikać
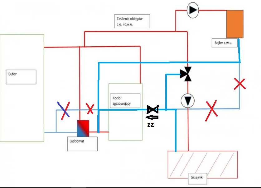
Podczas podłączania bufora do instalacji centralnego ogrzewania (CO) istnieje wiele pułapek, które mogą negatywnie wpłynąć na działanie systemu. Jednym z najczęstszych błędów jest niewłaściwe umiejscowienie przyłączy. Zasilanie z pompy ciepła oraz instalacji grzewczej powinno być umieszczone w górnej części zbiornika, a powroty w dolnej. Jeśli te zasady nie są przestrzegane, może to prowadzić do nieefektywnego przepływu ciepła, a w konsekwencji do przegrzewania lub niedogrzania pomieszczeń.
Kolejnym istotnym błędem jest ignorowanie właściwego doboru rozmiaru bufora. Zbyt mały zbiornik buforowy może nie być w stanie zaspokoić zapotrzebowania na ciepło w momentach szczytowych, co skutkuje częstym włączaniem i wyłączaniem systemu. Warto również zwrócić uwagę na odpowiednią izolację przewodów, ponieważ jej brak może prowadzić do strat ciepła. Aby uniknąć tych problemów, zawsze warto konsultować się z fachowcem przed przystąpieniem do instalacji.
Najczęstsze błędy w rozmieszczeniu przyłączy bufora
Właściwe rozmieszczenie przyłączy bufora jest kluczowe dla efektywności systemu grzewczego. Często spotykanym błędem jest umieszczanie zasilania i powrotu w niewłaściwych miejscach. Jeśli zasilanie znajduje się w dolnej części bufora, a powroty w górnej, może to prowadzić do nieprawidłowego krążenia wody, co skutkuje niską wydajnością systemu. Taki błąd może również prowadzić do przegrzewania bufora, co z kolei może uszkodzić urządzenie.
Innym powszechnym błędem jest brak odpowiedniego ułożenia rur. Rury powinny być ustawione w taki sposób, aby minimalizować straty ciepła oraz zapewnić swobodny przepływ wody. Niewłaściwe ułożenie rur, takie jak zbyt długie odcinki czy zbyt wiele zakrętów, może prowadzić do zwiększonego oporu w przepływie, co negatywnie wpływa na całą instalację. Dlatego ważne jest, aby przy planowaniu instalacji uwzględnić te aspekty, aby zapewnić optymalną wydajność systemu grzewczego.
Jakie są skutki nieodpowiedniego doboru wielkości bufora?
Dobór odpowiedniej wielkości bufora jest kluczowy dla efektywności systemu centralnego ogrzewania (CO). Zbyt mały zbiornik buforowy może prowadzić do częstego włączania i wyłączania źródła ciepła, co z kolei zwiększa zużycie energii oraz obniża jego żywotność. W momencie nagłego wzrostu zapotrzebowania na ciepło, mały bufor nie będzie w stanie dostarczyć wystarczającej ilości energii, co może prowadzić do niedogrzania pomieszczeń. Taki stan rzeczy nie tylko wpływa na komfort mieszkańców, ale również może prowadzić do uszkodzenia urządzeń grzewczych.
Z drugiej strony, zbyt duży bufor może generować niepotrzebne koszty związane z jego zakupem oraz instalacją. Dodatkowo, nadmiar ciepła magazynowanego w zbyt dużym zbiorniku może prowadzić do strat ciepła przez promieniowanie oraz konwekcję, co zmniejsza ogólną efektywność systemu. Dlatego tak ważne jest, aby przed zakupem bufora dokładnie oszacować zapotrzebowanie na ciepło w danym budynku oraz skonsultować się z ekspertem, który pomoże w doborze odpowiedniego rozmiaru.
Jakie elementy dodatkowe mogą poprawić efektywność podłączenia bufora?
Aby zwiększyć efektywność podłączenia bufora, warto rozważyć zastosowanie dodatkowych elementów, takich jak zawory trójdrogowe czy odpowiednia izolacja przewodów. Zawory trójdrogowe umożliwiają elastyczne zarządzanie przepływem ciepła, co pozwala na optymalne wykorzystanie zgromadzonej energii. Dzięki nim możliwe jest dostosowanie temperatury w różnych częściach budynku, co zwiększa komfort użytkowników oraz zmniejsza zużycie energii.
Odpowiednia izolacja przewodów również odgrywa istotną rolę w poprawie wydajności systemu. Dobrze zaizolowane przewody minimalizują straty ciepła, co pozwala na dłuższe utrzymanie temperatury w buforze. Warto zainwestować w materiały izolacyjne, które będą skuteczne w dłuższym okresie, aby uniknąć niepotrzebnych wydatków na energię. Współpraca z fachowcami przy doborze tych elementów zapewni optymalną wydajność całego systemu grzewczego.
Rola zaworów trójdrogowych w instalacji bufora
Zawory trójdrogowe odgrywają kluczową rolę w instalacjach buforowych, umożliwiając elastyczne zarządzanie przepływem ciepła. Dzięki nim możliwe jest skierowanie wody grzewczej do różnych odbiorników, takich jak grzejniki czy ogrzewanie podłogowe, w zależności od aktualnych potrzeb. Zawory te pozwalają na optymalne wykorzystanie zgromadzonej energii, co zwiększa efektywność całego systemu. Dodatkowo, ich zastosowanie przyczynia się do stabilizacji temperatury w różnych częściach budynku, co z kolei podnosi komfort użytkowania.

Jak izolacja przewodów wpływa na wydajność systemu CO?
Odpowiednia izolacja przewodów jest kluczowa dla efektywności systemu centralnego ogrzewania (CO). Dobrze zaizolowane rury minimalizują straty ciepła, co oznacza, że więcej energii dociera do odbiorników. Jeśli izolacja jest niewłaściwa lub jej brak, ciepło może uciekać w trakcie transportu, co prowadzi do zwiększenia kosztów ogrzewania. Właściwa izolacja pozwala również na szybsze osiągnięcie pożądanej temperatury w pomieszczeniach, co przekłada się na oszczędności energii.
Izolacja przewodów wpływa także na żywotność całego systemu grzewczego. Ciepło, które nie jest odpowiednio utrzymywane, może prowadzić do przegrzewania elementów instalacji, co z czasem skutkuje ich uszkodzeniem. Dlatego istotne jest, aby zainwestować w wysokiej jakości materiały izolacyjne, które będą skuteczne przez długi czas. Dobrze wykonana izolacja to nie tylko oszczędności, ale również pewność, że system CO będzie działał sprawnie przez wiele lat.
Jak inteligentne systemy zarządzania poprawiają wydajność CO?
W dobie rosnącej automatyzacji, inteligentne systemy zarządzania stają się kluczowym elementem w instalacjach centralnego ogrzewania. Dzięki zastosowaniu technologii IoT (Internet of Things), użytkownicy mogą monitorować i zarządzać swoim systemem grzewczym w czasie rzeczywistym. Takie rozwiązania pozwalają na optymalne dostosowanie pracy bufora oraz zaworów trójdrogowych do aktualnych warunków pogodowych oraz zapotrzebowania na ciepło, co znacząco zwiększa efektywność energetyczną.
Przykładem praktycznej aplikacji jest możliwość zdalnego sterowania temperaturą w różnych pomieszczeniach poprzez aplikację mobilną. Dzięki temu użytkownicy mogą dostosować ustawienia ogrzewania, nawet będąc poza domem, co pozwala na oszczędności energii. W przyszłości, integracja z systemami zarządzania energią w budynkach może przyczynić się do jeszcze większej efektywności, a także do redukcji emisji CO2, co jest istotne w kontekście globalnych działań na rzecz ochrony środowiska.
